
واشر پل ماسکنگ پلگ
سلنڈرک واشر پل پلگ کے ذریعے تھریڈز ، فٹ ، فٹ ، بور اور اس طرح کے نقاب پوش کرنے کے لئے پلگ پلگ لگاتے ہیں۔
تصریح
واشر پل ماسکنگ پلگ
| مواد: | سلیکون |
| قسم: | واشر پل پلگ |
| تخصیص: | تخصیص کی حمایت کرتا ہے |
واشر سلیکون پل پلگس سیریز کو سادہ اور تھریڈڈ سوراخوں کو ماسک کرنے کے لئے ڈیزائن کیا گیا ہے۔ وہ سوراخ سے نقاب پوش کرتے ہیں اور سوراخ کے آس پاس ایک سرکلر گراؤنڈنگ یا ارنگ ایریا چھوڑ دیتے ہیں۔ سلیکون سے بنی ، پلگ 315 ڈگری سینٹی گریڈ سے زیادہ درجہ حرارت میں استعمال کی جاسکتی ہے۔ تجویز کردہ آپریٹنگ درجہ حرارت کی حد -65 ڈگری C سے 230 ڈگری C ہے۔
>پاؤڈر کوٹنگ ، ای کوٹنگ ، چڑھانا ، انوڈائزنگ اور سینڈ بلاسٹنگ کے لئے تجویز کردہ۔
>اعلی درجہ حرارت کے عمل کا مقابلہ 600 ڈگری F (315 ڈگری) تک کرتا ہے
>واشر ڈیزائن دو مرحلے کی نقاب پوش کی ضرورت کو ختم کرتا ہے
>دوبارہ استعمال کے قابل

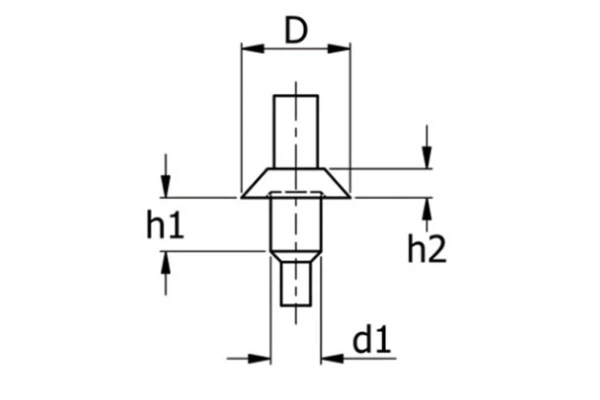
| طول و عرض | حصہ نمبر | |||||||||
| d1 | h1 | D | h2 | |||||||
| 2.70 | 9.90 | 10.00 | 2.70 | 01037001 | ||||||
| 3.60 | 9.90 | 10.00 | 3.50 | 01037002 | ||||||
| 4.20 | 9.90 | 12.70 | 2.70 | 01037003 | ||||||
| 4.50 | 9.90 | 10.00 | 2.70 | 01037004 | ||||||
| 4.90 | 9.90 | 14.30 | 2.70 | 01037005 | ||||||
| 5.40 | 9.90 | 15.00 | 4.20 | 01037006 | ||||||
| 5.70 | 9.90 | 15.90 | 2.70 | 01037007 | ||||||
| 7.20 | 9.90 | 15.00 | 4.20 | 01037008 | ||||||
| 7.20 | 9.90 | 17.50 | 4.20 | 01037009 | ||||||
| 8.70 | 9.90 | 20.60 | 4.20 | 01037010 | ||||||
| 9.50 | 9.90 | 20.00 | 5.30 | 01037011 | ||||||
| 10.20 | 9.90 | 23.4 | 5.3 | 01037012 | ||||||
| 10.90 | 9.90 | 20.00 | 5.30 | 01037013 | ||||||
| 11.70 | 8.00 | 26.90 | 6.30 | 01037014 | ||||||
| 2.90 | 15.00 | 10.00 | 01037015 | |||||||
| 3.50 | 10.00 | 10.00 | 01037016 | |||||||
| 3.80 | 15.00 | 10.00 | 01037017 | |||||||
| 4.50 | 15.00 | 12.00 | 01037019 | |||||||
| 5.00 | 10.00 | 10.00 | 01037020 | |||||||


ڈاؤن لوڈ، اتارنا ٹیگ: واشر پل ماسکنگ پلگ ، چین ، مینوفیکچررز ، سپلائرز ، فیکٹری ، تھوک ، کسٹم





